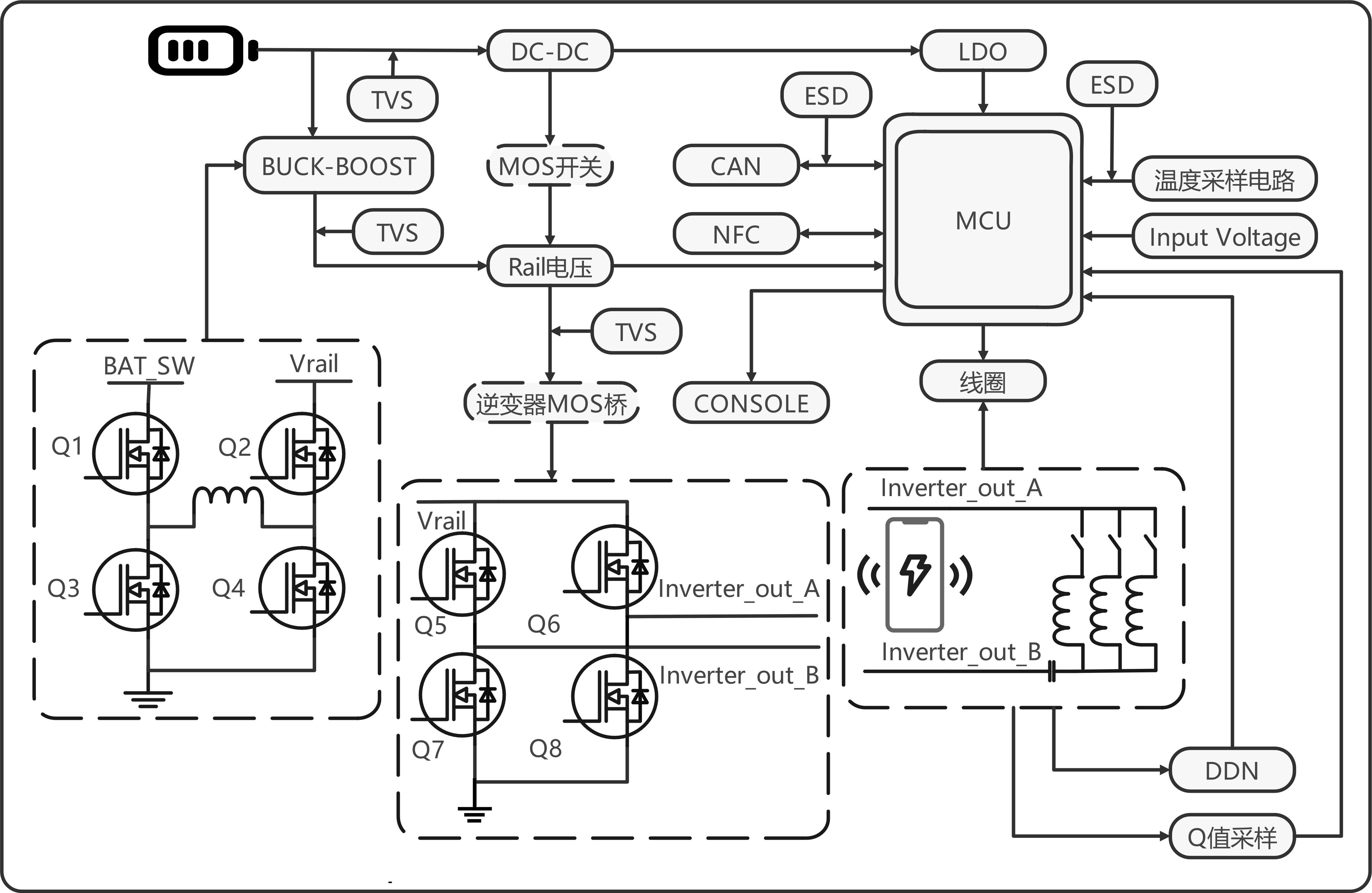
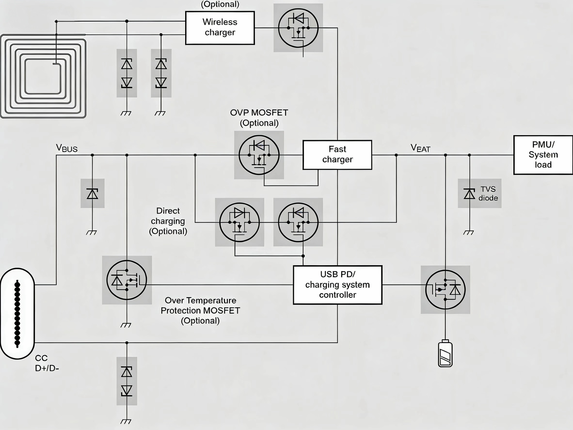
车载无线充电

| Function | Part Number | Polarity | VDS(V) | RDS(on)@10V (mΩ) | Package |
| MOSFET | P | 60 | 70 | DFN3030 | |
| N | 60 | 15 | DFN5060 | ||
| N | 100 | 26 | DFN5060 | ||
| P | 40 | 19 | TO-252 | ||
| Function | Part Number | Polarity | VDS(V) | RDS(on)@4.5V (mΩ) | Package |
| MOSFET | P | 30 | 2500 | SOT-23 | |
| Function | Part Number | Polarity | VCEO(V) | IC (A) | Package |
| BJT | PNP | 300 | 0.5 | SOT-23 | |
| Function | Part Number | Polarity | VRRM(V) | IF (A) | Package |
| Switching | Uni | 250 | 0.25 | SOD-323 | |
| Function | Part Number | Polarity | VRRM(V) | IF (A) | Package |
| Schottky | BAS40-04-CH![]() | - | 40 | 0.2 | SOT-23 |
BAT54W![]() | - | 30 | 0.2 | SOT-323 | |
| Function | Part Number | Polarity | Vz(V) | Izt (mA) | Package |
| Zener | MM1Z5V1-CH![]() | Uni | 5.1 | 5 | SOD-123 |
MMBZ5227B-CH![]() | Uni | 3.6 | 20 | SOT-23 | |
| Function | Part Number | Polarity | VRWM(V) | IPP(A) | Package |
| ESD | E5V0SBWA1A-CH![]() | Bi | 5 | 3 | SOD-123 |
E5V0VUKA2C-CH![]() | Uni | 5 | 5 | SOT-23 |


